FunkWerkes LLC

Tech Library

1 12cdd94b59 MixedProAudio/baldwin_synthasound 84447246c2
Home / MixedProAudio / baldwin_synthasound
Name
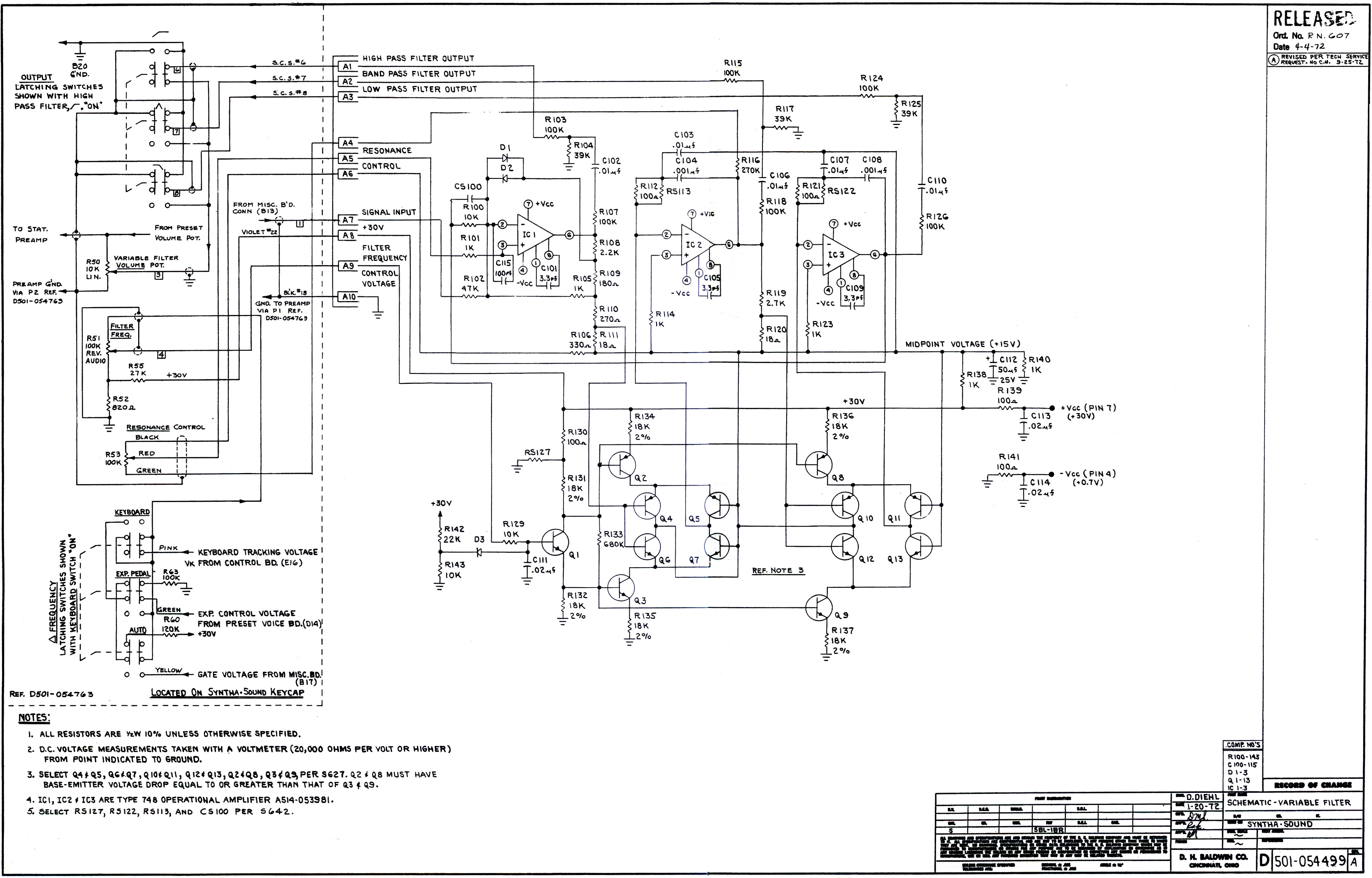
baldwin_synthasoundfilter1.jpg

baldwin_synthasoundfilter2.jpg

2