Tech Library
1
12cdd94b59
MixedProAudio/MCI_JH-600-Schematics
84447246c2
Home / MixedProAudio / MCI_JH-600-Schematics
| Name |
|---|
| Automation-Master-Fader.jpg |
| Dual-mic-pre-board.jpg |
| JH-600-TrackSheet.pdf |
| JH600-IO-Signal-Flow.pdf |
| jh600-PSI-Hookup.pdf |
| JH600-Schematic-IO-Module.jpg |
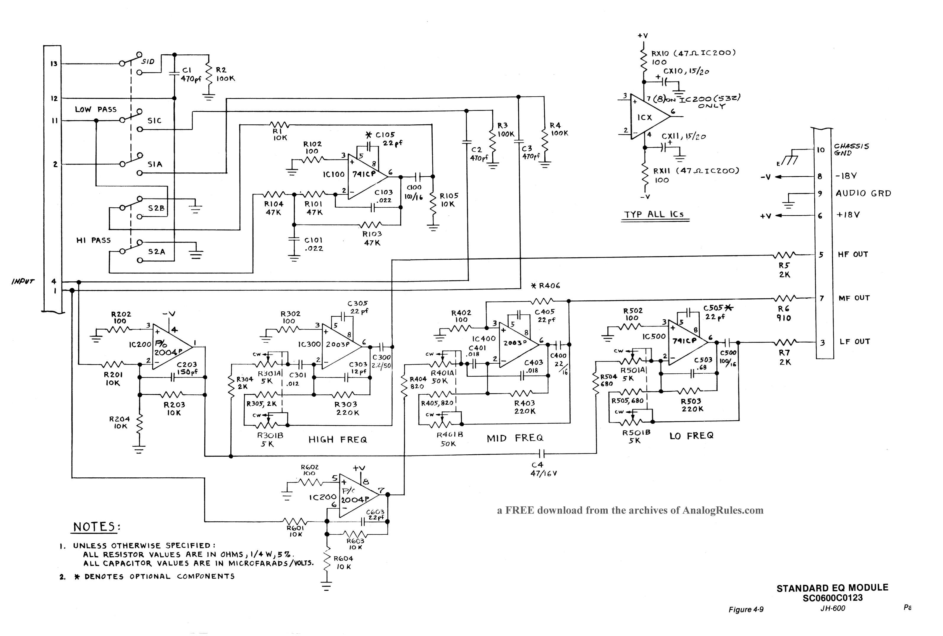
| JH600-Schematic-Standard-EQ-Module.jpg |
| JH600-Section-11-Stereo-Line-Input-Module.pdf |
| JH600-Standard-EQ-parts-list.jpg |
| JH600-Vari-EQ.jpg |
| JH636-1985-Parts-ordering-list.pdf |
| JH636-EQ-Pots.pdf |
| JH636-Partial-Manual-From-AnalogRules_com.pdf |
| JH636-Tuchel-Connector-Layout.pdf |
| power-supply-parts-list.jpg |
15